Can we design the teensy alternative for keyboards?

pomk

15 Sep 2016, 10:35

The LED should clearly be at the bottom, otherwise the numlock led can't be lit.
https://www.originativeco.com/products/ ... -tenkeypad
Other great choice would be a windowed esc key in a 60%. I think I'll route the left led to the status led so you can, by joining 2 traces, use the windowed esc or numpad key with a LED without having to use a separate pcb or having to hand wire LEDs. ;)

Or! Maybe the indicator light windows are going to be on the top in the upcoming hi-profile pbt caps? :D

Edit:
Regarding the peninsula size, just tell me how far away the usb connectors front edge should be and I'll update the design. I.e. as a distance from the switch center in mm.

Also I can rotate the switches if you really want it that way, but I want to get paid for making things in a way that I don't fully agree with. One keyset (ISO FI/SWE with 1,75U R_Shift) will suffice for whatever you want and support for a year. ;)

User avatar
matt3o
-[°_°]-

15 Sep 2016, 14:04

if you put the controller on top of a keyboard and want full LED backlight, you most likely want the LEDs on top.

If you want just one LED (like in your example) you can simply shift the controller one switch to the left of right and put the LED you need in any orientation you want.

pomk

15 Sep 2016, 20:38

Now with ALPS support as per Matias specifications I found on their site.
demo6.png
demo6.png (102.23 KiB) Viewed 6447 times

pomk

20 Sep 2016, 14:02

matt3o wrote: Like I said I believe the LED should be on top and possibly the peninsula should be... well a real peninsula :)
pomk wrote: Regarding the peninsula size, just tell me how far away the usb connectors front edge should be and I'll update the design. I.e. as a distance from the switch center in mm.
Input?

User avatar
matt3o
-[°_°]-

20 Sep 2016, 14:21

my only concern with the peninsula is that it seems to be elevated on the left and flush on the right. not sure why.

also is shield ground connected to ground?

pomk

20 Sep 2016, 15:09

shield is connected to ground. The left side is recessed slightly in order to align the pads nicely, also should this be soldered upon a second PCB, it's easier if you have a mm or two to work with before the edge. I can make the right side match in size.

User avatar
matt3o
-[°_°]-

20 Sep 2016, 15:34

pomk wrote: shield is connected to ground. The left side is recessed slightly in order to align the pads nicely, also should this be soldered upon a second PCB, it's easier if you have a mm or two to work with before the edge. I can make the right side match in size.
as per specs I don't think shield should be connected to PCB ground. shield should go to chassis not to ground. As I see it the peninsula should protrude on both sides.

pomk

20 Sep 2016, 15:44

There is no separate shield ground in this type of applications. The shield ground has to be connected to digital ground at some point and in a board of this size there is no good reason to connect it any other way. If we were concerned with ground loops or sensitive analog circuitry, we would have to be more careful.

edit: or at least teensy boards and other one chip wonders just connect it to the digital ground.
I can remove the connection if you are worried about this making the board disfunctional.

pomk

20 Sep 2016, 16:31

Now more symmetrical and with USB shield separated from digital ground.
demo7.png
demo7.png (75.14 KiB) Viewed 6262 times

User avatar
matt3o
-[°_°]-

20 Sep 2016, 16:41

that looks pretty sexy!

Where are the USB pins connected to? Edit: got it. I have to double check on that.

pomk

20 Sep 2016, 18:01

There are some thing still that need to be reviewed on the board. For example one capacitor is very close to the USB connector and while the copper is there, I'm not sure if the connector housing is in the way. If the housing is on the way, I'll have to move the connector upwards about 0,5-1,0 mm. Also the SMD component sizes are just a guess, and at least the USB power cap needs to be checked so that such a capacitor exists in that size. Same goes for the reset button.

User avatar
matt3o
-[°_°]-

20 Sep 2016, 20:45

at this point I'd need feedback from flabbergast, hasu, and-the-like.

pomk

21 Sep 2016, 10:46

Did some tweaking, had to move the USB connector slightly in order to make room for one capacitor. Also noticed that I had used the wrong pin for USB digital ground. :lol:

I also checked that all the components are readily available, except for the push button which I have yet to find (there are thousands of them and searching based on the footprint is tedious).
demo8.png
demo8.png (159.75 KiB) Viewed 6229 times
edit: found the reset switch as well, it's an Omron switch with pretty good specs.

User avatar
Ratfink

21 Sep 2016, 15:54

All in all, that looks like a pretty nice board layout. One note though: it's generally a bad idea to put vias in the middle of pads (except thermal pads/vias–go nuts with vias there!). They suck up solder, leaving too little for the component itself and creating a poor joint. For a component with big pads like S1 it might not be a huge problem, but it could cause big reliability problems for parts with smaller pads like C1.

pomk

21 Sep 2016, 16:00

Thanks for the heads up! I have just made boards at home soldering by hand and have not had any real problems. With automated production there might be problems though! I will re-route the vias to stay out of the pads.

User avatar
matt3o
-[°_°]-

21 Sep 2016, 16:06

also I remember flabbergast (or someone) said it was not advised to place the USB pins like you did... but I can't really remember why or what should have been done instead. I'll try to find out

pomk

21 Sep 2016, 16:46

Moved the vias out of pad areas, as well did some other mainly aesthetic changes.
demo9.png
demo9.png (153.47 KiB) Viewed 6166 times

User avatar
vvp

21 Sep 2016, 17:27

USB D+ and D- are a differential pair. So one should try to make the the same length and branch them as little as possible. This is important for High speed and Super speed. For Half speed and Full speed it does not matter that much. But the design can be improved a bit from this point of view.
I would also make the peninsula pads thicker (not thinner how you did with the last revision :) ). There is still some space there.

pomk

21 Sep 2016, 17:46

I just routed the usb lines again and they are now the same length in accuracy of 0,02mm ;)
The peninsula pads have been the same size in all revisions, the only thing that changed was that it got removed from ground layer. :?
The pads are now according to the connector makers preference, but I can enlarge them if needed.

User avatar
vvp

21 Sep 2016, 18:08

You do not need to sweet for a few mm length difference. Not in case of Half or Full speed USB. But if it is easy to make them the same length (and to make any branching as short as possible) then it should be done.

Sorry for not being clear. By pads, I meant the peninsula PCB laminate material not the electrical pads (copper plated holes with the front/back copper layer "ring").

pomk

21 Sep 2016, 18:19

Ah, ok! I made it slightly wider now, any more and the first castellated pads would not be straight at the edge anymore.

User avatar
matt3o
-[°_°]-

21 Sep 2016, 20:31

*cought*LEDs*cought*

pomk

21 Sep 2016, 20:51

matt3o wrote: *cought*LEDs*cought*
There are two TH LED footprints and I like them this way :?

My fee for unconditional changes to the layout is the same. I can order, pay, build, test and send you some prototypes as well for that price ;). The next phase would be to order some prototypes anyway.

User avatar
matt3o
-[°_°]-

21 Sep 2016, 23:44

would you please make a variant for me with the switches on the other orientation? name your price, I'll pay for it if that is what it takes.

User avatar
hasu

22 Sep 2016, 02:37

pomk, nice work!
Do you mind sharing your design files with us? Or can you post pics of schematic so that it makes easier to learn your design?

matt3o, can you ask benefactor to share his/her design? We don't have enough solid design of the relatively new chip on the Net, so every info would be helpful to us.

From pomk's PCB image it seems like VCC is given 5V directly from USB power line instead of 3.3V. And it would be useful to have another tact switch to assert NMI(PTA4), I think you need to assert NMI pin to start ROM bootloader with default configuration.


This is my schematic of MKL27Z256VMF4(QFN32).
Image


FRDM-KL27Z schematic:
https://community.nxp.com/thread/350013
https://freescale.jiveon.com/servlet/Ji ... 8303_b.pdf

flabbergast's:
https://github.com/flabbergast/kl27z-kb
schematic image: http://i.imgur.com/xDNPLds.png

And my files if someone is interested.
https://github.com/tmk/KL27Z_breakout

User avatar
matt3o
-[°_°]-

22 Sep 2016, 14:40

I will surely share everything I get!

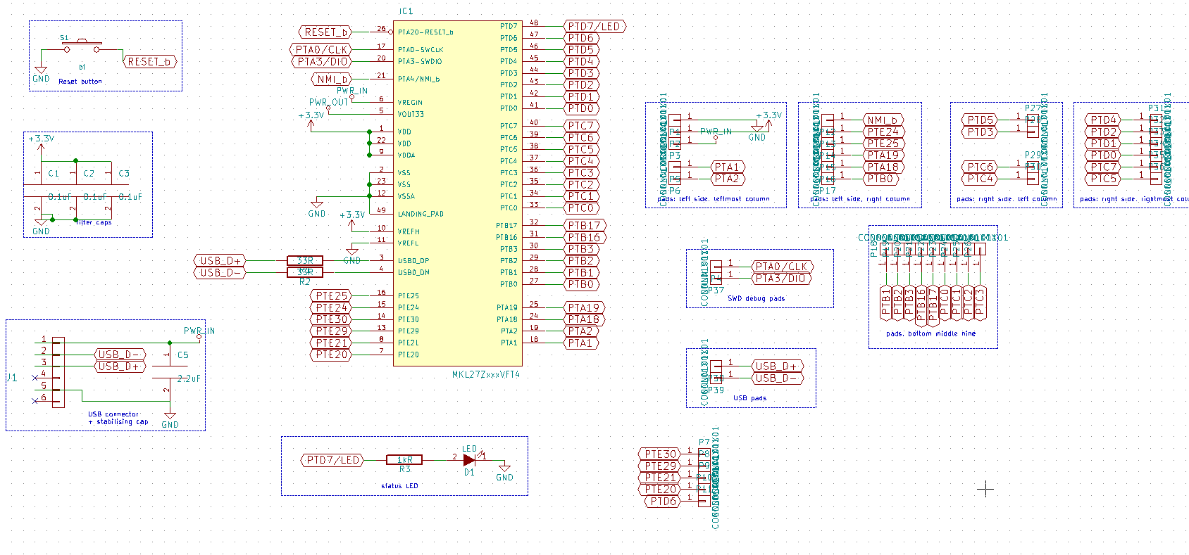
pomk

22 Sep 2016, 15:45

The usb +5V is connected to VREGIN. The schematic is based on flabbergast's schematic, from which I removed alternate power options and added connectors for unused pins.
schematic.png
schematic.png (65.75 KiB) Viewed 6066 times
I should probably connect VOUT to 3,3V :?

User avatar
matt3o
-[°_°]-

22 Sep 2016, 18:33

@hasu, I've got this
schematic.jpg
schematic.jpg (1.4 MiB) Viewed 6038 times

User avatar
vvp

22 Sep 2016, 20:39

pomk wrote: I should probably connect VOUT to 3,3V :?
Electrical devices work better when they are connected to a power source :)

pomk

23 Sep 2016, 11:43

Re routed the thing and squeezed a bit more, the board is now 38 x 19 mm and the connector sticks out exactly 1 mm. Added the second push button and connected the VOUT to 3,3V. :)
demo11.png
demo11.png (123.58 KiB) Viewed 5958 times
The second picture better illustrates the location of the 1U switch postitions.
demo12.png
demo12.png (331.44 KiB) Viewed 5958 times
Now there is room for 2-3 more pads and I'm not sure what to do with them. More ground and voltage lines? debug pins in 2,54 spacing so you can solder a more readily available a connector to them? Reset to a pad? There might be room for even some component, so 1 color mono backlight driver (i.e. some fancy pwm chip that connects to the 5v line)?

I also tried to get USB type C crammed to the board, but the SMD mid mount types don't have enough room for routing signals or vias between the A and B rows. We'd have to go for a more professional PCB manufacturer with 4 mil traces and 0,2 mm drills.

Post Reply

Return to “Workshop”