Split ergonomic keyboard project

xbb

12 Jul 2012, 13:45

dox wrote:http://ErgoDox.org

Any CSS wizard?
If you provide me a graphic template I'll be glad to convert it to HTML/CSS.
I'm no graphic designer sadly, but I do work a lot with CSS.

As an alternative if you want something clean you can use: http://twitter.github.com/bootstrap/

Findecanor

12 Jul 2012, 14:15

Getting key caps for the outermost columns may be a problem. Does SP make keys for all rows that are 1.5 units wide? Is there going to be a group buy of keys in different national layouts in a few different colours?
If possible, I think that there should be alternative switch positions on the PCB and plate for one-unit keys. This was done on the Phantom, so we know that it could work.
There would be a gap, if you used the official metal case, but you could just fill that with a piece of metal bar stock cut to length.

dox

12 Jul 2012, 19:25

Yes, SP can do every keycap size for the outermost (1.5x) column. They can also make the tall thumb keys like on the kinesis.
Maybe a group buy for blanks to fill those uncommon keys could happen but nothing national specific.

User avatar
7bit

12 Jul 2012, 19:31

What kind of keycaps are you looking for?

Maybe you find something in Round 4.

User avatar
dirge

12 Jul 2012, 19:32

I was hoping qwerkeys could do me a set, multicolored infills withdifferent colours for the layers.

User avatar
HzFaq

12 Jul 2012, 19:58

dorkvader wrote:I'm busy until this evening, but the list is updated until here (I think). I'll update my post with the new names later.

Here's who I have from DT (with witty comments about interest in parentheses). Please PM or post here if I've missed you somehow.

From DT
01. Webwit................1. (I'm in for one if it comes to a group buy.)
02. jakobcreutzfeldt......1. (Too "mad" to be marked yet)
03. xbb...................1. (Thanks added to list)
04. jcrouse...............1. ("I want one list")
05. pingbat...............1. (utron dreams)
06. forcefollow...........1. (one to replace his drool-damaged HHKB
07. wiredPANDA............1. (Watches it develop)
08. domoaligato...........1-2(from following this thread)
Hey dude, you missed me off the list :(

User avatar
dirge

12 Jul 2012, 20:43

I should be on the list for two
:)

User avatar
fossala
Elite +1

12 Jul 2012, 21:03

How much are these going to be?

bpiphany

12 Jul 2012, 21:26

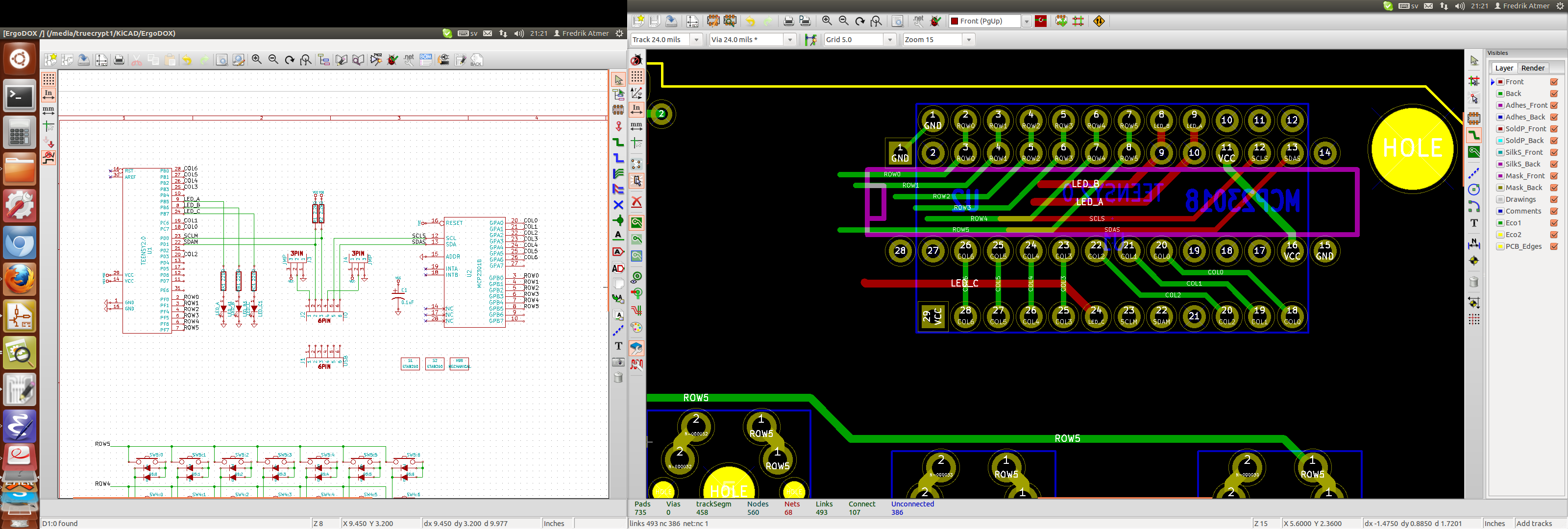
I think this is going to work out pretty smoothly =) I moved the Teensy a tiny tiny bit to the left. Is this going to cause any trouble? Also, dox, I think I will soon have come far enough to dare sharing the actual files.. I'll contact you by PM for your email.
kicaddoxteensy.png
kicaddoxteensy.png (387.05 KiB) Viewed 10478 times
Edit: Also I see my username changed as I requested (thanks webwit). No more Prins'ing me ;) You'll have to come up with something new...

dox

12 Jul 2012, 22:04

fossala: No pricing yet.

bpiphany: Teensy moved to the left is good. You should add the holes for the reset pin on the teensy as the button is not accessible. It's easy to reset it just by jumping this pin to ground in case you load a bad firmware and you are unable to flash it with the bootloader key. PM replied.
Spoiler:
Image

bpiphany

12 Jul 2012, 22:19

I had a hole for reaching the reset pin but it ends up interfering with the pads for the expander =P The reset button will be accessible as long as the Teensy is mounted on the right hand part, as the design intends. And if mounted flipped on the left hand side, it is still very ease to activate the reset by shorting the reset pad on the short end of the Teensy board to the neighbouring GND pad. It is usually sufficient to just touch the reset pad with a needle or something else narrow and conducting (sometimes touching the GND pad first).

User avatar
dorkvader

13 Jul 2012, 00:15

I've added HZFAQ (sorry about that) and bjarven. Looks like I missed some posts from page 2.

Dirge #59 is upgraded from 1 to 2.

Updateds prins' name to bpiphany.

Apple officially recommends using a TORX T8 or T6 to short neighboring pads (usuaslly to power on a computer), though I always use a flathead screwdriver. I may "upgrade" to one of those spanning screwdriver tips, though, for better precision (Plus' what else will I use them for?

bpiphany

13 Jul 2012, 05:00

Days when I feel a bit fancier I pull out my tweezers, or adjustable short circuiting device as I like to call them... A screwdriver might just ride on the solder mask between the pads, and not touch them both simultaneous. That shouldn't matter though, just touching reset is usually enough.

Findecanor

13 Jul 2012, 13:45

bpiphany wrote:Edit: Also I see my username changed as I requested (thanks webwit). No more Prins'ing me ;) You'll have to come up with something new...
Awww. I liked the Spaceballs reference in your old boardname.

User avatar
domoaligato

13 Jul 2012, 19:28

below is what I have came up with so far based on the asp.net css you gave me.
I tried to make it based on solarized-light.
if you want something more fancy then I would suggest one of the things I posted earlier.

Code: Select all

/* DEFAULTS
----------------------------------------------------------*/

body
{
    background: #fdf6e3;
    font-size: .80em;
    font-family: "Helvetica Neue" , "Lucida Grande" , "Segoe UI" , Arial, Helvetica, Verdana, sans-serif;
    margin: 0px;
    padding: 0px;
    color: #696969;
}

a:link, a:visited
{
    color: #93a1a1;
}

a:hover
{
    color: #93a1a1;
    text-decoration: none;
}

a:active
{
    color: #93a1a1;
}

p
{
    margin-bottom: 10px;
    line-height: 1.6em;
}

/* HEADINGS
----------------------------------------------------------*/

h1, h2, h3, h4, h5, h6
{
    font-size: 1.5em;
    color: #93a1a1; /*font-variant: small-caps;*/
    text-transform: none;
    font-weight: 200;
    margin-bottom: 0px;
}

h1
{
    font-size: 1.6em;
    padding-bottom: 0px;
    margin-bottom: 0px;
}

h2
{
    font-size: 1.5em;
    font-weight: 600;
}

h3
{
    font-size: 1.2em;
}

h4
{
    font-size: 1.1em;
}

h5, h6
{
    font-size: 1em;
}

/* this rule styles <h1> and <h2> tags that are the
first child of the left and right table columns */
.rightColumn > h1, .rightColumn > h2, .leftColumn > h1, .leftColumn > h2
{
    margin-top: 0px;
}

/* PRIMARY LAYOUT ELEMENTS
----------------------------------------------------------*/

.page
{
    width: 960px;
    background-color: #fdf6e3;
    margin: 20px auto 0px auto;
    border: 1px solid #496077;
}

.header
{
    position: relative;
    margin: 0px;
    padding: 0px;
    background: #fdf6e3;
    width: 100%;
}

.header h1
{
    font-weight: 700;
    margin: 0px;
    padding: 0px 0px 0px 20px;
    color: #b58900;
    border: none;
    line-height: 2em;
    font-size: 2em;
}

.main
{
    padding: 0px 12px;
    margin: 12px 8px 8px 8px;
    min-height: 420px;
}

.leftCol
{
    padding: 6px 0px;
    margin: 12px 8px 8px 8px;
    width: 200px;
    min-height: 200px;
}

.footer
{
    color: #fdf6e3;
    padding: 8px 0px 0px 0px;
    margin: 0px auto;
    text-align: center;
    line-height: normal;
}

/* TAB MENU
----------------------------------------------------------*/

div.hideSkiplink
{
    background-color: #93a1a1;
    width: 100%;
}

div.menu
{
    padding: 4px 0px 4px 8px;
}

div.menu ul
{
    list-style: none;
    margin: 0px;
    padding: 0px;
    width: auto;
}

div.menu ul li a, div.menu ul li a:visited
{
    background-color: #586e75;
    border: 1px #4e667d solid;
    color: #eee8d5;
    display: block;
    line-height: 1.35em;
    padding: 4px 20px;
    text-decoration: none;
    white-space: nowrap;
}

div.menu ul li a:hover
{
    background-color: #93a1a1;
    color: #eee8d5 ;
    text-decoration: none;
}

div.menu ul li a:active
{
    background-color: #586e75;
    color: #fdf6e3;
    text-decoration: none;
}

/* FORM ELEMENTS
----------------------------------------------------------*/

fieldset
{
    margin: 1em 0px;
    padding: 1em;
    border: 1px solid #ccc;
}

fieldset p
{
    margin: 2px 12px 10px 10px;
}

fieldset.login label, fieldset.register label, fieldset.changePassword label
{
    display: block;
}

fieldset label.inline
{
    display: inline;
}

legend
{
    font-size: 1.1em;
    font-weight: 600;
    padding: 2px 4px 8px 4px;
}

input.textEntry
{
    width: 320px;
    border: 1px solid #ccc;
}

input.passwordEntry
{
    width: 320px;
    border: 1px solid #ccc;
}

div.accountInfo
{
    width: 42%;
}

/* MISC
----------------------------------------------------------*/

.clear
{
    clear: both;
}

.title
{
    display: block;
    float: left;
    text-align: left;
    width: auto;
}

.loginDisplay
{
    font-size: 1.1em;
    display: block;
    text-align: right;
    padding: 10px;
    color: #657b83;
}

.loginDisplay a:link
{
    color: #657b83;
}

.loginDisplay a:visited
{
    color: #657b83;
}

.loginDisplay a:hover
{
    color: #657b83;
}

.failureNotification
{
    font-size: 1.2em;
    color: Red;
}

.bold
{
    font-weight: bold;
}

.submitButton
{
    text-align: right;
    padding-right: 10px;
}


dox

13 Jul 2012, 21:51

Thanks domoaligato, looks good for now.

We now have a USB product ID (0x6028) from openmoko. Thanks for the link suka!
http://wiki.openmoko.org/wiki/USB_Produ ... roduct_IDs

bpiphany

13 Jul 2012, 22:18

Having fun playing with KiCAD all day long =) I am going to have given Ben, the guy writing the firmware, a pretty good headache by now I suspect.. There is a lot left to do still, but the PCB is taking shape. Only need to convince the other guys my small changes are absolutely vital =D
headache.png
headache.png (237.25 KiB) Viewed 10358 times

User avatar
domoaligato

13 Jul 2012, 22:41

dox wrote:Thanks domoaligato, looks good for now.

We now have a USB product ID (0x6028) from openmoko. Thanks for the link suka!
http://wiki.openmoko.org/wiki/USB_Produ ... roduct_IDs
dox, I forgot to change the fonts... I worked on the colors all morning.

dox

14 Jul 2012, 05:15

domoaligato: No problems, I updated the file on the website and I think it looks pretty good as it is.
I will try to put some content up during the weekend.

mSSM

14 Jul 2012, 14:42

dox wrote:domoaligato: No problems, I updated the file on the website and I think it looks pretty good as it is.
I will try to put some content up during the weekend.
The firmware and download links: don't have them point directly to github. I think it's better (more polite) that if you click e.g. on firmware, there is going to be some text in that white box underneath where you say that stuff is on github and then provide a link. :)

yobfish

14 Jul 2012, 17:53

Please add me to the list of people interested in ErgoDox. I've joined this forum to write this. ErgoDox looks fantastic and could very well be the keyboard I've been searching for.

pingbat

14 Jul 2012, 18:30

I guess we will need to provide our own switches. Can anyone confirm this?

dox

14 Jul 2012, 18:52

mSSM: Thanks I'll change that.
yobfish: Great, welcome to dt!
pingbat: The switches will most likely not be included in the groupbuy.

nathanak21

14 Jul 2012, 21:19

I too would be interested in the group buy as long as I can afford it without breaking the bank :)

mintberryminuscrunch

14 Jul 2012, 21:21

interested in pcb

Findecanor

14 Jul 2012, 21:27

I am interested in a pair of PCBs with electronics. Possibly switches too.

User avatar
DanGWanG

14 Jul 2012, 21:28

In for 1!

User avatar
AKIMbO

14 Jul 2012, 22:28

Put me down for 1 ergo dox. It looks amazing.

User avatar
dorkvader

14 Jul 2012, 23:52

yobfish wrote:Please add me to the list of people interested in ErgoDox. I've joined this forum to write this. ErgoDox looks fantastic and could very well be the keyboard I've been searching for.
That's excellent! Welcome to the forum.
nathanak21 wrote:I too would be interested in the group buy as long as I can afford it without breaking the bank :)
mintberryminuscrunch wrote:interested in pcb
Findecanor wrote:I am interested in a pair of PCBs with electronics. Possibly switches too.
By "Pair of PCB's" do you mean enough to build two hands, or two full ergoDOX's? I've got you down for one (No Case) for now.
DanGWanG wrote:In for 1!
AKIMbO wrote:Put me down for 1 ergo dox. It looks amazing.
I've got you all on the list, and will update it shortly.

Findecanor

15 Jul 2012, 00:07

dorkvader wrote: By "Pair of PCB's" do you mean enough to build two hands, or two full ergoDOX's? I've got you down for one (No Case) for now.
Two hands. The same type of PCB is supposed to be used for both sides, so, two PCBs. ;)

Post Reply

Return to “Workshop”