Question about Reset line on early Model F PC/XT

Engicoder

04 Sep 2015, 00:11

The Backstory:
The early Model F PC/XT keyboards (Type 1) had a reset line on pin 3 of the connector. The Reset line was normally pulled high. Pulling the line low would reset the keyboard. I have built an internal XT to PS2 converter, and I would like to support the earlier boards, but...

The Question:

To support these early boards, I need to know what pin the reset line uses on the internal 10 pin connector on the PCB. From the photos I have seen it appears that it is a green wire between the brown and red, which would make it position 3. Is there anyone that has one of these earlier boards that could verify or correct this information? I can offer my gratitude and a free converter in return for your kindness.
Last edited by Engicoder on 04 Sep 2015, 02:12, edited 1 time in total.

Engicoder

04 Sep 2015, 00:32

For identification purposes, here is a side by side. Notice the early ones have a metal connector and are quite different internally.
Attachments
Side By Side (Custom).jpg
Side By Side (Custom).jpg (90.93 KiB) Viewed 1292 times

Engicoder

04 Sep 2015, 02:23

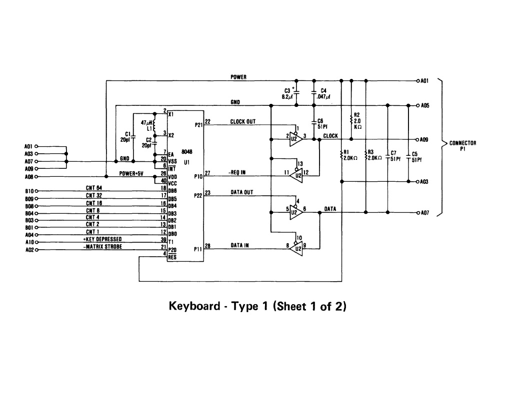
Found my answer, yes it is pin 3. Answer from the XT Technical Reference April '83, page D-12; thanks to a thread on the Vintage-Computer forum. If anyone has one of these Type 1's would be interested in verifying my converter works, PM me and I will send you one free.
Attachments
pcxt-type-1-schematic.jpg
pcxt-type-1-schematic.jpg (155.33 KiB) Viewed 1281 times

Post Reply

Return to “Keyboards”