IBM Beam Spring - MX mount

User avatar
darkcruix

29 Sep 2018, 12:04

I tried to get companies to make keycaps for beam spring keyboards, but the primary issue for all of them was the mount. The tooling / molds would be extremely expensive and even if they would sell 100 sets, each set would cost US$ 300 minimum.
I am looking for other options and actually using the original switch, but exchanging the metal "stem" with MX mount is much cheaper to create. For a proof of concept, I have created one manually. This one is cut out of 1 mm steel and looks like this with keycap mounted:
IMG_7625.jpg
IMG_7625.jpg (312.98 KiB) Viewed 15459 times
Below is the drawing for the cutout. I am planning to let them laser-cut accordingly. I don't have the full costs for the stems, yet, but they will be around US$ 200 for 100 stems, which are MX mount compatible. Before I continue to work on these, I wanted to hear from the community, if this has been already tried and hear opinions.
Metal Stem.jpg
Metal Stem.jpg (173.24 KiB) Viewed 15459 times

User avatar
FXT
XT

29 Sep 2018, 16:30

Sounds interesting! I'm not sure I'd be interested as beamsprings already come with amazing keycaps. On the other hand, SA Dasher alphas would be nice on a beamspring.

User avatar
Techno Trousers
100,000,000 actuations

29 Sep 2018, 17:23

It's definitely a cool idea. Buti think the issue will be that because of the odd layouts of beamsprings, it would be next to impossible to fully cover one with a cherry mount set. I don't know if people will want to spend so much for partial coverage. But not having any beamsprings myself, I can't speak with authority on that.

This does make me again wish for a modern low profile version of the beamspring switch (cherry mount, of course). Maybe someday.

User avatar
darkcruix

29 Sep 2018, 18:51

The layout of the keys / the key sizes are actually standard size, even they don't look like it.

Below are a few keys from the later IBM Model M (Ctrl in red is a 1.75U / the lower Shift key in blue is a 2.25U / the grey Enter is the same as a Keypad Enter). The keyboard has some MX keys: clear keycaps and Panic key, which work great.
IMG_2453.JPG
IMG_2453.JPG (563.3 KiB) Viewed 15379 times
Close-up with the Fn-key being also a MX mount key:
IMG_2454.JPG
IMG_2454.JPG (754.31 KiB) Viewed 15379 times
My plan was not to exchange every single key on the normal alpha plane, but more to make some keys more modern. Also, it would be possible for some companies to create dye-sub keys with proper labeling.

Anyway - maybe someone has an interest in this. Once I have the laser-cut ones, I will show some more pictures.

User avatar
Techno Trousers
100,000,000 actuations

29 Sep 2018, 18:59

That's definitely better than I thought. I'll step out and let beamspring owners chime in.

User avatar
0100010

30 Sep 2018, 06:02

DSA row 3 deep dish would probably match BS profile pretty close.

User avatar
darkcruix

30 Sep 2018, 08:53

0100010 wrote: DSA row 3 deep dish would probably match BS profile pretty close.
The best possible match is the High Profile, Spherical Top, Sculptured (or SA). Rows match according my tests according this pattern:
Alphanumeric Cluster:
Original Row 1 (Numbers) - SA Family Row 1 (-13 deg)
Original Row 2 (QWERTY) - SA Family Row 2 (-7 deg)
Original Row 3 (ASDFGH) - SA Family Row 3 (0 deg)
Original Row 4 (ZXCVBN) - SA Family Row 4 (7 deg)
Original Row 5 (Space) - no direct match, but SA Row 3 works

PF-Cluster & Nav-CLuster:
All Rows the same - SA Family Row 1 (-13 deg)
IMG_2458.JPG
IMG_2458.JPG (316.34 KiB) Viewed 15260 times
IMG_2459.JPG
IMG_2459.JPG (584.68 KiB) Viewed 15260 times

The original keycaps are PBT doubleshots with a 1.5 mm thick plastic in a formula that isn't produced anymore.

Comparison links for the keycap profiles:
https://pimpmykeyboard.com/template/ima ... Family.pdf
https://pimpmykeyboard.com/template/images/SAFamily.pdf

User avatar
Techno Trousers
100,000,000 actuations

30 Sep 2018, 16:59

How close is Matt3o's MT3 profile? I know the spherical dishing and angles are modeled after beamspring keys, but I'm not sure about the heights.

User avatar
PlacaFromHell

30 Sep 2018, 21:44

Would you be so kind to give us the blueprints or the document with all the measurements? I know a 3101 who screams for some custom keycaps.

User avatar
darkcruix

01 Oct 2018, 09:57

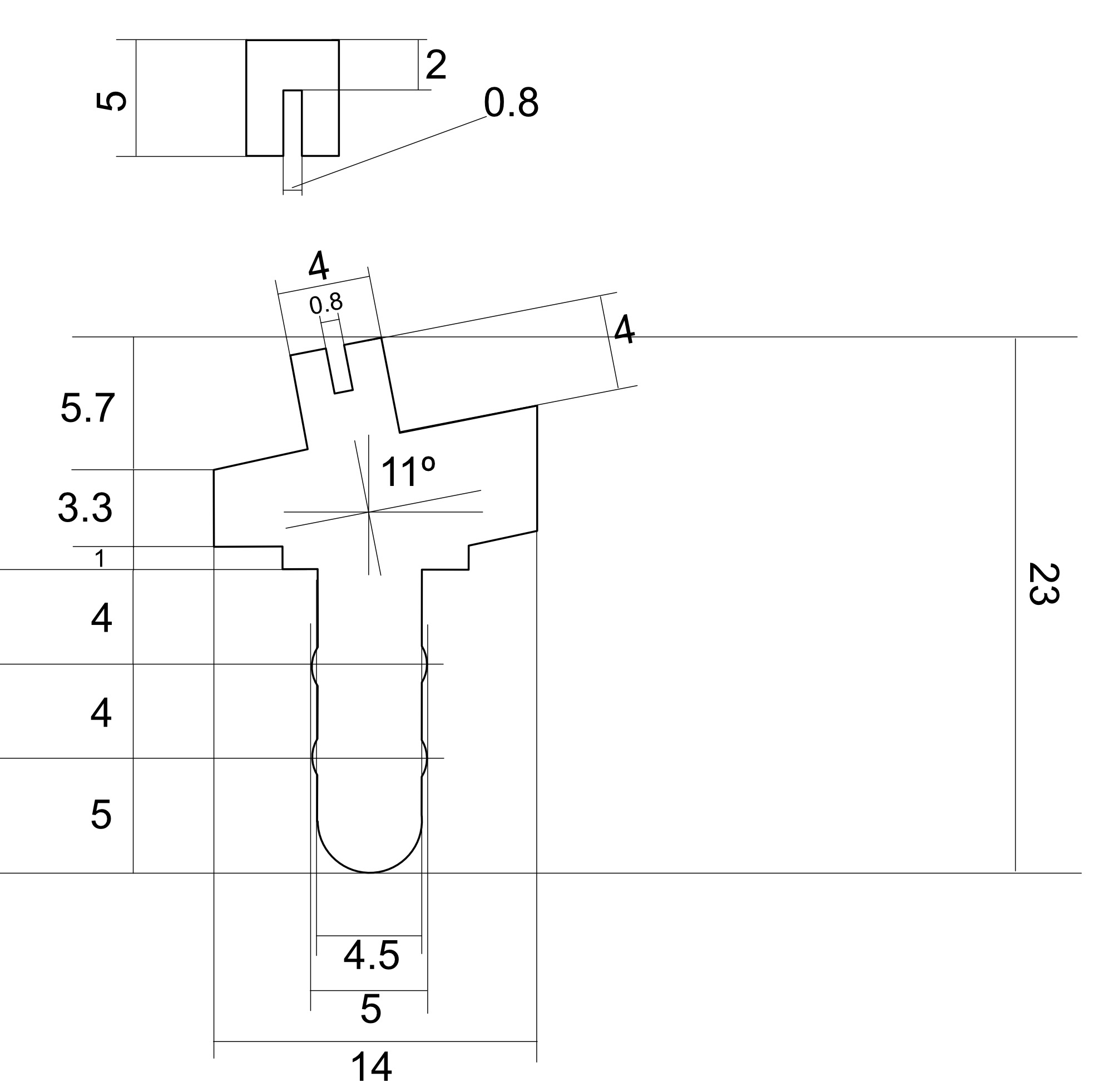
Find attached the test version of the simplified MX mount for laser cutting. This drawing hasn't been tested in any way, yet. I am still waiting for it to be cut.
The version here is a simplified version that likely gets changed after initial testing:
Last edited by darkcruix on 01 Oct 2018, 19:48, edited 1 time in total.

User avatar
PlacaFromHell

01 Oct 2018, 12:14

Thanks dude. I'll check it at home.

spongebob1981

01 Oct 2018, 14:25

Nice!
Hey, I foresee a quite cheap way to get them done!
You know what machine, readily available commercially, could make such metal stems by simply copying 'em? Easily too!

I'll give you a second to try to figure it out...
Spoiler:
A key copying machine. And if brass would be good enough, buying blank keys in bulk could drive the prices even further down.
:lol:

User avatar
JP!

01 Oct 2018, 14:45

I'd say making new stems would definitely be the way to go.

User avatar
darkcruix

01 Oct 2018, 17:55

I started to speak to a few companies and they asked me to make some changes after measuring the original stem and a keycap with MX mount. Find attached what I have so far:
Stem - simple - d11.svg.zip
(3.46 KiB) Downloaded 315 times
Screen Shot 2018-10-01 at 17.52.34.jpg
Screen Shot 2018-10-01 at 17.52.34.jpg (164.93 KiB) Viewed 15077 times

User avatar
darkcruix

01 Oct 2018, 17:57

spongebob1981 wrote: Nice!
Hey, I foresee a quite cheap way to get them done!
You know what machine, readily available commercially, could make such metal stems by simply copying 'em? Easily too!

I'll give you a second to try to figure it out...
Spoiler:
A key copying machine. And if brass would be good enough, buying blank keys in bulk could drive the prices even further down.
:lol:

Ohhhh nice idea ----- very good idea !!!!!

User avatar
sealclubber

04 Oct 2018, 20:59

I'm a bit late to the party but I took that svg and turned it into an stl for you if you have a 3d printer. Only thing of note would be that it only has 3 of the four MX crosses so you can print it flat for extra strength.

Image
Attachments

[The extension stl has been deactivated and can no longer be displayed.]


User avatar
darkcruix

06 Oct 2018, 11:50

Thanks for creating the file. The printout looks beautiful. I hope, I can test it over the weekend and give some feedback.
printout.jpeg
printout.jpeg (610.7 KiB) Viewed 14931 times

User avatar
sealclubber

10 Oct 2018, 21:51

Cool! Let us know how it turns out. :D

User avatar
darkcruix

12 Oct 2018, 14:16

sealclubber wrote: Cool! Let us know how it turns out. :D
The company I was approaching to do the laser-cutting came back to me that they can't take the request on, due to "problems associated with production".
Meanwhile, I have tested the PLA plastic printout. It fits perfectly in the slider and MX keycaps also look great. Downside is the durability of the 3D-print I had.

Here is the new printout in PETG (sorry for the dirty MX cap and uncleaned printout - couldn't wait to test). I will print 16 of them this weekend and build them into a 3278 which I will use for a while, to see how they perform:
IMG_7661.jpg
IMG_7661.jpg (612.96 KiB) Viewed 14781 times
IMG_7660.jpg
IMG_7660.jpg (771.05 KiB) Viewed 14780 times

User avatar
sealclubber

12 Oct 2018, 18:48

Oh man this is exciting :D Just ordered one of those beamspring keychains from orihalcon's ebay so I should be able to do some tests and tweaks if needed once it gets here.

User avatar
darkcruix

12 Oct 2018, 19:20

sealclubber wrote: Oh man this is exciting :D Just ordered one of those beamspring keychains from orihalcon's ebay so I should be able to do some tests and tweaks if needed once it gets here.
You may want to reduce the size of the "cross" by 0.2mm - 0.4mm. On PETG I had to cut it a bit to fit properly. You may want to share a new file when done (I am a total n00b in 3D work :) ).

Roland

User avatar
darkcruix

13 Oct 2018, 20:02

I wanted to share a quick video of the usage of the new stem. It is only showing it in an external switch, but I plan to replace 4 columns in the Beam Spring to get a feeling of the change and durability tests.

User avatar
darkcruix

15 Oct 2018, 17:20

First test results I wanted to share:
- There is a difference in key feel (the plastic ones do not feel as crisp)
- The plastic stems are more (wobbling), but you won't recognize it during normal typing.

This would lead me to the first result, that those stems need to be built from steel to give you the same typing feel. I will try a few more things like an additional piece that sits on the slider.

Anakey

15 Oct 2018, 17:29

I don't know who you originally asked about lazer cutting, but have you tried Lazerboost? I know they are very popular for plates and they were also able to cut some alps switch opner tools for me and a few others on the uk keyboard discord.

User avatar
sealclubber

15 Oct 2018, 17:32

Gotcha. Depending on the width of the nozzle it can expand a bit and I forgot to account for that. Assuming you use a nozzle diameter of .4mm, the XY delta between exact measurements and actual results can differ by about 75-ish% of the nozzle width. This new file has the crosses at a width of 1.27mm which should account for this discrepancy.

EDIT: Just saw your new post with your test results. Wondering if maybe the wobbly bits are due to the lack of that fourth cross, because the thing is made out of plastic, or because of the extra height. Could be all three. Uploading the revised model anyway. In other news, it seems like my beamspring keychain was shipped out this morning, so I should be able to get some good tests in when that arrives.
Attachments

[The extension stl has been deactivated and can no longer be displayed.]


Layer_Shift

16 Oct 2018, 08:30

Hello everyone, I saw this post and it interested me because I kind of really enjoy solving these little problems. I took the designs here and modified it for an easier way to tolerance around the Cherry MX cap. Printing that cross accurately and with appropriate tolerance can be difficult unless you are using a smaller than .4 nozzle which is still challenging for other reasons. So below is my modified version of the work you all did.

Image
https://imgur.com/a/my6x3ii
If it doesn't show up here's the link.

I have printed it, it fits my cherry caps great, but I don't have a way to test this on a real Beam Spring as I don't have one.

The part is frail but there are ways around this with different 3d printing processes. If you are interested I can pursue this further with you all. There are a few tweaks I want to implement but need more information about the beam switch dimensions.

I am thinking it may be best to print this with an industrial SLS printer with nylon, the material properties would be FAR better than any consumer FDM machine and repeat-ability for potential production. Let me know what you guys think.

User avatar
darkcruix

16 Oct 2018, 09:52

sealclubber wrote: ...
EDIT: Just saw your new post with your test results. Wondering if maybe the wobbly bits are due to the lack of that fourth cross, because the thing is made out of plastic, or because of the extra height. Could be all three. Uploading the revised model anyway. In other news, it seems like my beamspring keychain was shipped out this morning, so I should be able to get some good tests in when that arrives.
It is getting better an better. I guess I have a further idea to improve the typing feel - currently the "wobbliness" is acceptable and the sound is on par with steel. I used PLA now with 100% infill.

To get this to the next level, I had an idea. Can we make the 90º mount longer, so it reaches down to the slider and builds another stabilizing feature? Additionally, I believe, if we reduce the height of the stem a little (see svg), the keys will be in the exact position compared to Beam Spring keys.

EXCITING - it works so well already. I have 18 keys replaced and they feel great.
Stem - simple - d14.svg.zip
(4.47 KiB) Downloaded 281 times

User avatar
darkcruix

16 Oct 2018, 09:55

Layer_Shift wrote: Hello everyone, I saw this post and it interested me because I kind of really enjoy solving these little problems. I took the designs here and modified it for an easier way to tolerance around the Cherry MX cap. Printing that cross accurately and with appropriate tolerance can be difficult unless you are using a smaller than .4 nozzle which is still challenging for other reasons. So below is my modified version of the work you all did.

Image
https://imgur.com/a/my6x3ii
If it doesn't show up here's the link.

I have printed it, it fits my cherry caps great, but I don't have a way to test this on a real Beam Spring as I don't have one.

The part is frail but there are ways around this with different 3d printing processes. If you are interested I can pursue this further with you all. There are a few tweaks I want to implement but need more information about the beam switch dimensions.

I am thinking it may be best to print this with an industrial SLS printer with nylon, the material properties would be FAR better than any consumer FDM machine and repeat-ability for potential production. Let me know what you guys think.
I just had a look and I am blown away, how you guys are thinking. The demo looks gorgeous.
Whenever you have your tweaks in, I am happy to print it with my cheap 3D printer and try it out. I can do all the testing with my beam spring and test things out.!!!!!

SilenceGoo

16 Oct 2018, 10:25

I have to say it's so creative work for the limitation of various keycaps of beamsprings.

Layer_Shift

18 Oct 2018, 02:36

So I have a new model I am working on but need some details on dimensions. Do you happen to have a dial caliper? If not I can make a general model and we can go from there. I am working off of pictures online only right now so its a little difficult to be precise.

Worst case senario I can grab one of those keychain setups from ebay but for the 21 Dollars I will try to hold off and thought I would see what you could give for more information.

I will post the latest shorter and hopefully more stable version sometime tonight. I have some other work to attend to first but I will try to get it done soon.

Post Reply

Return to “Keyboards”