The Ultimate Keyboard Related Case Mod

User avatar
Willy4876

11 Aug 2022, 05:14

I recently put together a new PC. I'm not going to go into details on the specs of the system, but I wanted to make it unique. For my last PC I did this by building it in the case from a Powermac G4 (below). Unfortunately, Apple cases don't have the best cooling (I know shocker) so the system was endemically hot.

Powerhack G4
Spoiler:
IMG_0563.JPG
IMG_0563.JPG (3.41 MiB) Viewed 2051 times
IMG_0562.JPG
IMG_0562.JPG (2.54 MiB) Viewed 2051 times
Not wanting to repeat that mistake I decided that this time I was going to use an off the shelf PC case (don't worry we'll get to keyboards soon). I ended up choosing and NZXT H510 Flow. I chose this case because it had a nice blank plate on the back that would be perfect for a case mod.

NZXT H510 Flow
Spoiler:
H510.PNG
H510.PNG (469.24 KiB) Viewed 2051 times
The plan was to add two internal keyboard converters to the case. I took inspiration from a post that I saw on here a while ago. I wanted one to be an ADB adapter and the other to be PC AT/XT adapter. I also wanted to be able to electrically disconnect them from the motherboard without having to physically unplug anything if I wanted to swap keyboards (neither ADB nor the PC protocols allow hot swapping).

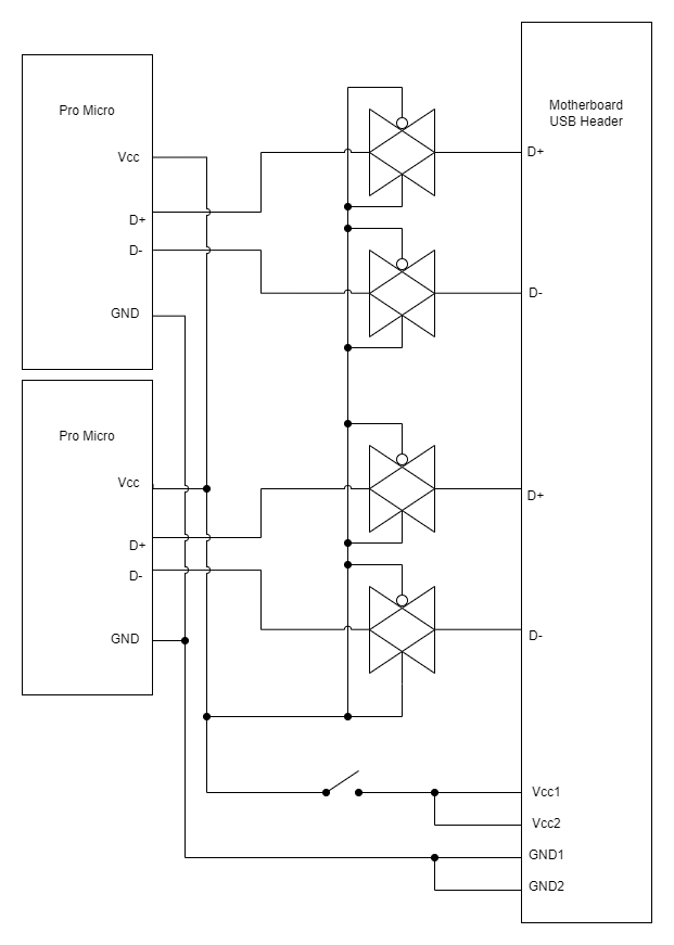
With this goal in mind, I came up with a simple circuit to do this. It consists of a quad transmission gate chip (MC14066) to disconnect the data lines of the USB between the motherboard's USB header and the pro micro based adapters and a single pole single throw (SPST) switch to disconnect the power to the pro micros and enable or disable the transmission gates.

Schematic
Spoiler:
Keyboard Adapter.png
Keyboard Adapter.png (46.04 KiB) Viewed 2051 times
Depending oh how familiar you are with electronics you might ask why not use a triple pole single throw switch (basically three separate switches that all open and close at the same time) to disconnect each adapters instead of the transmission gate setup? I probably could have, although the impedance discontinuity might have been too much for the data lines of the USB to handle. The reason that I didn't try this is that I couldn't find any that were available and reasonably inexpensive. Generally, they were about $20-$30 Canadian. By contrast the parts for this adapter were $0.90 for the MC14066 and $6 for the toggle switch. Everything else I used for it, I had on hand.

The adapters themselves are standard tmk adapters that are well known on here so I won't go into detail on them. I made the board that they're mounted on from a piece of single-sided copper-clad board. I used a modified xacto knife to scribe away lines of the copper to create different isolated pads to solder to. Since I could only find the MC14066 in a surface mount SOIC14 package I used a technique called dead bugging where you glue the components upside down onto the board you're building and then run wires directly to the pins that are now sticking up in the air. The motherboard side USB header came from an old computer that I took apart years ago and the micro USBs were harvested from old USB cables.

For the ports themselves, I got panel mount DIN 5 and mini DIN 4 and used ribbon cable to connect them to the pro micros. These along with the SPST were mounted in holes drilled in the back of the case and the adapter board was zip tied to the 'basement' of the case.

Finished build
Spoiler:

Early version of the adapter. Originally I was going to use a header to mount the ribbon cable to the adapter board then wire from that to the pro micros, but that ended up being a pain so I removed it later.
IMG_0647.JPG
IMG_0647.JPG (3.67 MiB) Viewed 2051 times

Several photos of the adapter board in the case.
IMG_0649.JPG
IMG_0649.JPG (3.59 MiB) Viewed 2051 times
IMG_0650.JPG
IMG_0650.JPG (4.3 MiB) Viewed 2051 times
IMG_0651.JPG
IMG_0651.JPG (3.93 MiB) Viewed 2051 times

Finished board installed with the GPU back in place (I took it out to have more room to work).
IMG_0652.JPG
IMG_0652.JPG (2.99 MiB) Viewed 2051 times

Back panel of the case with the mod finished. Shows the two adapter ports and the switch that turns them off and on.
IMG_0648.JPG
IMG_0648.JPG (3.35 MiB) Viewed 2051 times
Overall I am thrilled with how it turned out. The adapters work exactly how I wanted them to, the ports look good in the case, and I had fun designing and building the circuit. If anyone wants more details feel free to ask and I'll do my best to answer below.

Post Reply

Return to “Keyboards”